
船用接觸器ADC100A直流換向接觸器,火車船舶耐高溫接觸器
觸點電路額定負載電流 100A
應用于電動汽車,混合動力電動汽車,建筑機械,光伏發電,直流電壓電源控制系統
無極性-觸點和線圈的連接均無極性要求;
環氧密封-環氧樹脂封裝密封結構,可在易爆有害環境下工作,線圈和觸點不會氧化和污染;
高效線圈-可選內置式節能線圈,保持功率僅2~2.3W,反向電動勢為0V;
ROHS認證-完全符合ROSH要求,更加有利于人體健康及環境保護;
產品體積小,重量輕;
線圈接頭方式非常方便;.
沒有線圈電磁反力;


ADC100A直流換向接觸器技術參數
![1628168918685540.png @D%K$KX)5J1A}]S~_2~S)_G.png](/uploads/allimg/20210805/1628168918685540.png)
ADC100A直流換向接觸器物理性能
![1628168953542999.png ID9P9B$}12K]P)NH]QXV))K.png](/uploads/allimg/20210805/1628168953542999.png)

ADC100A直流換向接觸器使用環境
![1628168971722113.png 40RY[EXHHMTX]T(Y4D}Q[$M.png](/uploads/allimg/20210805/1628168971722113.png)

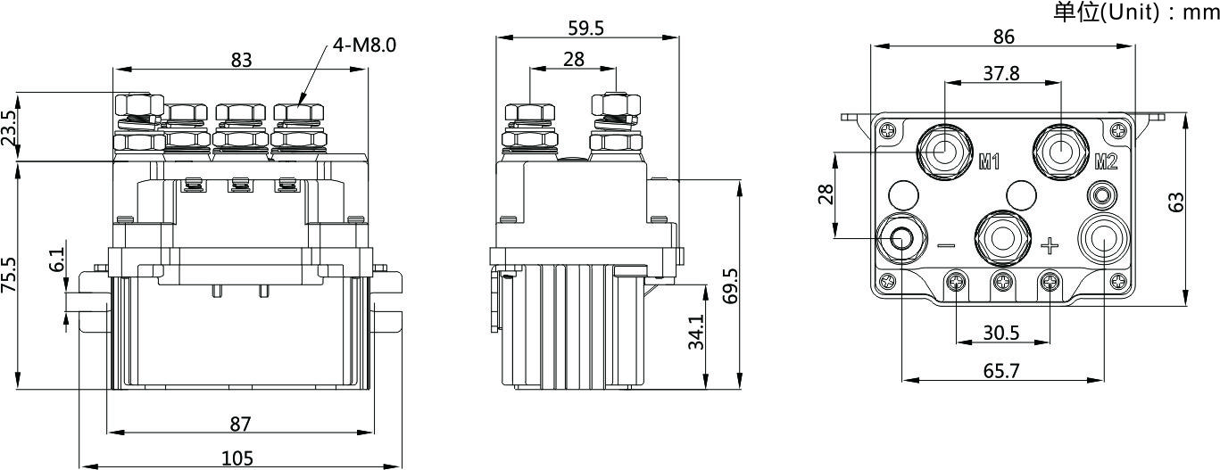
ADC100A直流換向接觸器外形安裝尺寸

ADC100A直流換向接觸器線路原理圖


ADC100A直流換向接觸器型號含義


ADC系列直流換向接觸器產品應用場景
該產品具有兩組切換觸點,用于汽車電動絞盤配套、電信通信設備、工程機械、電瓶車、電動叉車、火車、船舶、不間斷電源等電控系統。



















客服